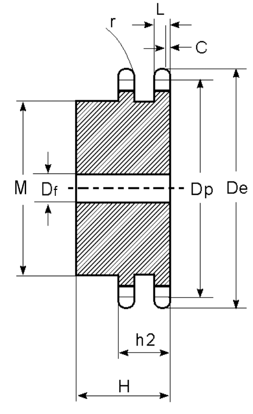
Specifiche tecniche
Tipo catenaDoppia
Numero denti Z24
Diametro esterno205.5 mm
Passo1X17,02
df25 mm
H70 mm
M130 mm

PIGNONI Z24 DOPPI 1X17,02

Articolo: PD24-1X17,02

Richiedi info

    Richiedi Informazioni

    Informativa Privacy *
    Letto e compreso

    Attività di Marketing *
    do il consensonon do il consenso