Specifiche tecniche
Famiglia calettatoriVK160
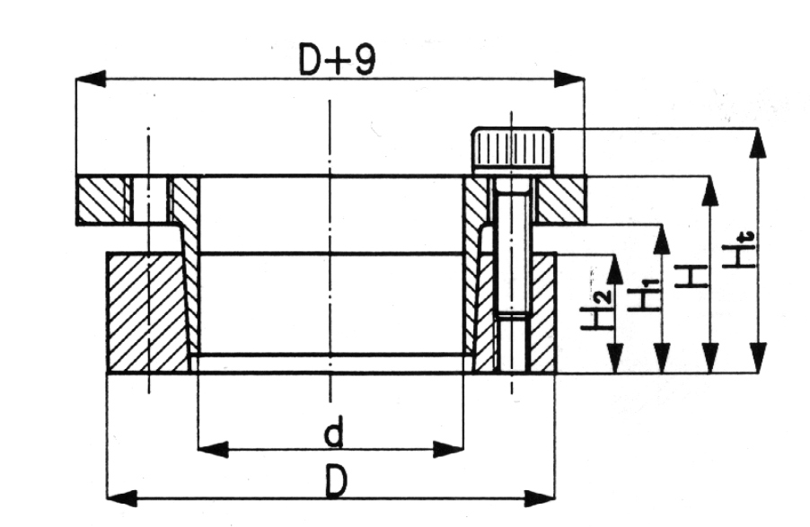
Diametro albero180 mm
Diametro mozzo235 mm
Ht78 mm
Numero viti12
Misura vitiM14x40
Pa14.5 Kg/mm2
Pn11 Kg/mm2
Ma23 Kgm
Coppia trasmissibile3800 Kgm
H64 mm
H150 mm
H244 mm
FAX42200 Kg

CALETTATORI VIBLOCK 160 D. 180X235

Articolo: VK160-180X235

Richiedi info

    Richiedi Informazioni

    Informativa Privacy *
    Letto e compreso

    Attività di Marketing *
    do il consensonon do il consenso