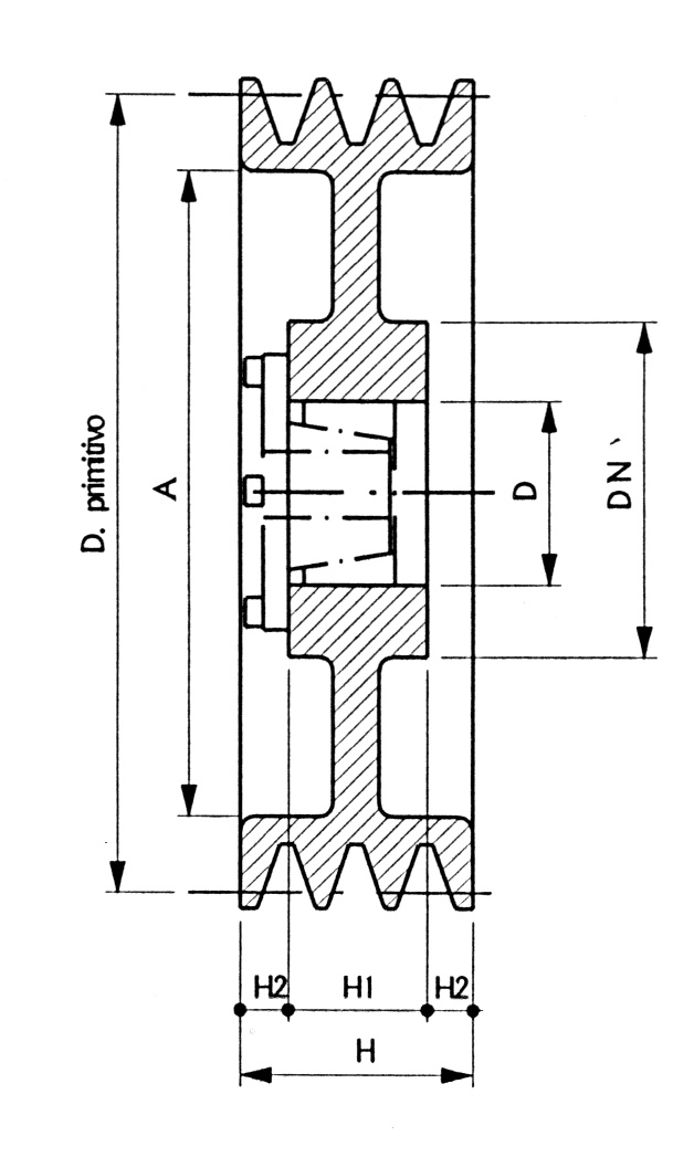
Technische Spezifikationen
Bohrung80 mm
H85 mm
H127 mm
H229 mm
RiemenscheibennutSPC
Nenndurchmesser250 mm
Anzahl der Rillen3
Außendurchmesser264 mm
BauformC
Nabendurchmesser120 mm
Durchmesser unter Rillen193 mm

VIBIK KEILRIEMENSCHEIBEN FÜR SPANNSAETZEN SPC D.250/ R.3 B.80

Artikel: CV250/3-80

Produktinformationen anfordern

    Anfrage Informationen

    Marketing Aktivitäten *

    Ich bin damit einverstandenIch bin nicht einverstanden